销售热线:
0577-62988699 62988066 62988166
首页
关于我们
新闻动态
产品展示
信息反馈
联系我们
产品分类
压力变送器/差压变送器
> BTL1151差压/压力变送器
> BTL3351差压/压力变送器
> BTL90/80/70型压力变送器
热电偶
> 热电偶、热电阻的基本原理
> 通用类
> 综合类
> 钢铁、冶金类
> 石油、天然气、化工类
> 电站类
> 测量元器件
联系我们
热线:0577-62988699 62988066
62988166
传真:0577-62988067
地址:浙江省乐清市北白象镇前岸西
苑路18号
邮编:325602
通用类
首页
-
产品展示
- 通用类
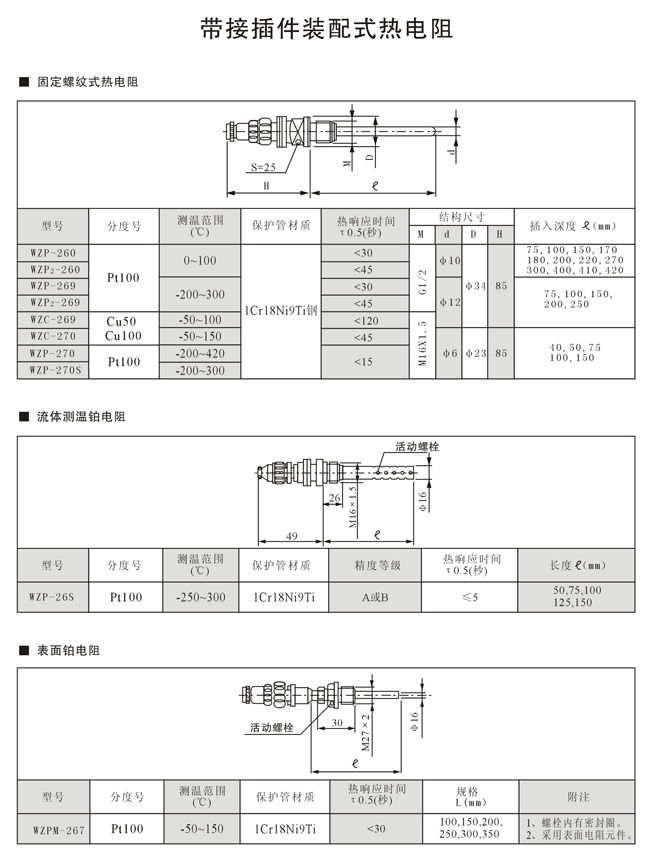
非普通装配式热电偶、热电阻
性能与规格
版权所有
©
温州伯特利仪器仪表有限公司 地 址:浙江省乐清市北白象镇前岸西苑路18号 电 话:0577-62988699 62988066 62988166
浙ICP备05084236号